|


1.
Antes de comenzar
2.
Pruebas básicas
3.
Minimizando errores de medida
4.
Regulación a la línea
5.
Regulación a la carga
6.
Otras mediciones
7.
Cargas electrónicas
8.
Coeficiente de temperatura
9.
Ruido y rizado de salida
10.
Convertidores conmutados
11.
Corriente de retrorizado
12.
Ruido un modo común
1.- Si hay un fusible
de entrada, asegurarse de que es del valor correcto.
2.- Tomar las siguientes precauciones antes de conectar a la red.
- Conectar la tierra de seguridad.
- Si las pruebas se efectúan en un banco de mesa debe estar cubierta
de material aislante.
- Donde existan terminales expuestos, como conductores o pistas de circuito
impreso, una pantalla de seguridad debe existir una pantalla de seguridad
entre el operario y las partes expuestas.
|
Las pruebas
básicas que la mayoría de usuarios hacen son las medidas
de regulación a la línea y/o a la carga y el rizado
de salida.
Otras pruebas de mayor envergadura se salen de la filosofía
de esta guía.
Una conexión útil para comprobar regulación
se muestra en la
|
|
Fig. 1. Si la entrada
es de corriente alterna se utiliza un variac, y si son convertidores cc/cc
el variac debe ser sustituido por una de alimentación de laboratorio
variable y regulada.
| 3.
MINIMIZANDO ERRORES DE MEDIDA |
- Usar fuentes de alimentación de la potencia adecuada para que
cuando las unidades bajo prueba demanden picos de corriente no saturen
o limiten en corriente. La corriente que debe proporcionar esta fuente
debe ser igual a tres veces la máxima tensión del convertidor
bajo prueba dividido por la tensión mínima a aplicar al
convertidor.
- Los voltímetros deben ser conectados directamente a los terminales
del convertidor bajo pruebas para evitar errores en caídas de tensión
en los cables.
- Si el conector esta dotado de pines múltiples, es mejor conectarlos
todos en paralelo.
- Asegurar que el área donde se prueban los convertidores se mantiene
a temperatura razonablemente constante, no son adecuados sitios cercanos
a puertas de donde provienen corrientes de aire para medidas fiables.
- Para convertidores/fuentes conmutadas la corriente debe ser ajustada
a mínima carga antes de comenzar las pruebas. La mayoría
de este tipo de convertidores requiere una carga mínima de 10%
para regular correctamente, así que pruebas llevadas a cabo sin
carga alguna no significan nada.
Con el equipo trabajando
a plena carga, anótense las tensiones de salida con máxima,
mínima y nominal tensión de entrada. La regulación
a la línea es la máxima de las desviaciones de tensión
anotadas expresadas como un porcentaje de la tensión de salida
referenciadas a la tensión nominal de entrada.
Con la tensión
de entrada ajustada al nominal, la tensión de salida es anotada
a mínima y máxima carga. La regulación a la carga
es la diferencia entre estas dos tensiones expresado como un porcentaje
de la tensión de salida a máxima carga. Muchas fuentes conmutadas
tienen su regulación expresada como una desviación porcentaje
al 60% +40% de máxima carga y el procedimiento de pruebas se modifica
de acuerdo con esto.
Otras medidas que
se pueden hacer utilizando el circuito de la Fig.1 pueden ser: el límite
de corriente, corriente en cortocircuito y exactitud de tensión
de salida y su estabilidad.
Cuando se requiere
que las variables de prueba sean muy frecuentes se recomienda el uso de
una carga electrónica, esta combina carga ajustable, medidas de
tensión y corriente en una compacta unidad, reduciendo grandemente
el tiempo requerido para pruebas de convertidores. Si ocurre que las medidas
de regulación dan peores resultados de lo que se esperaba, utilizar
voltímetro separado para medir en los terminales del convertidor.
| 8.
COEFICIENTE DE TEMPERATURA |
Con los mismos instrumentos
que en la Fig.1, pero con el convertidor en el interior de una cámara
de temperatura ajustable, se puede determinar el coeficiente de temperatura
de la tensión de salida. La tensión de entrada se ajusta
a la nominal, la corriente de salida al máximo y la temperatura
del interior de la cámara a 25º C. Después de pasar
un cierto tiempo para que se estabilice se observa la tensión de
salida. Acto seguido la temperatura se ajusta a 0º C o a la temperatura
más baja que se especifica en el convertidor y se espera a que
se estabilice, esto puede tardar más de 30 minutos dependiendo
del tamaño de la cámara y la potencia del convertidor bajo
prueba. Si el aire en el interior de la cámara se agita por medio
de unas aspas de baja velocidad se acortará el proceso de estabilización
de temperatura. Después de alcanzada la estabilidad se anota una
vez más la tensión de salida.
Nuevamente se reajusta la cámara +50º C o a la máxima
temperatura permitida por el fabricante del convertidor y se repite el
procedimiento de estabilización y anotación de la tensión
de salida. Las dos desviaciones de la tensión de la salida son
expresadas como un porcentaje y después dividido por 25 para obtener
el coeficiente de temperatura en % º C. El coeficiente es el número
más elevado de las dos medidas, aunque a menudo se utiliza el promedio
y se especifica como "típico" en la especificación.
| 9.
RUIDO Y RIZADO DE SALIDA |
Esta medida es muy
sencilla cuando se trata de fuentes lineales CA/CA y en la que se puede
utilizar instrumentos de uso general, un osciloscopio de banda estrecha
(poco ancho de banda) para medidas de pico a pico y un voltímetro
de verdadero valor eficaz. La forma de onda del rizado es de 100Hz (o
120Hz para funcionamiento a 60Hz) con un contenido de altas frecuencias
muy bajo.
| 10.
CONVERTIDORES CONMUTADOS |
Dado el elevado contenido
de altas frecuencia en la forma de onda de salida y de las emisiones radiadas
que provienen del convertidor bajo prueba, es imposible hacer mediciones
válidas sin el equipamiento apropiado. Uno de los métodos
utilizados se muestra en Fig.2.
|
Esta es un sonda
de osciloscopio especialmente adaptada con una banda de tierra y
una punta muy corta y sin apantallar. Para efectuar las medidas
la banda de tierra se apoya contra un terminal (el común)
mientras que la punta hace contacto con el otro terminal. Aun queda
un pequeño bucle de antena creado por la punta de la sonda
y los terminales de salida. El ruido residual se reduce conectando
un condensador de 10nF a través de los terminales.
Una sonda dotada de un cablecillo de tierra es inútil
|
|
para estas medidas.
El mínimo ancho de banda para el osciloscopio debe ser de 20Mhz.
La forma de onda de salida para la mayoría de fuentes conmutadas
son pulsos triangulares a la frecuencia de conmutación con ruidos
de alta frecuencia y picos de conmutación superpuestos. El valor
eficaz de esta forma de onda que es usualmente un 10% menor que el valor
pico a pico no se indica muy a menudo ya que no sirve para mucho. Convertidores
o fuentes conmutadas CA/CC también contienen un componente de rizado
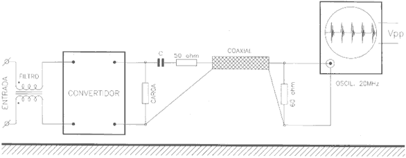
procedente de la red superpuesto a este ruido. Otro método que
puede ser empleado para obtener medidas fiables es el utilizar un cable
coaxial de 50 ohmios entre el convertidor y el osciloscopio. La Fig.3
muestra este método empleado para medir ruido en un convertidor
CC/CC.
Con una superficie
de alta conductividad como plano de tierra (una chapa de cobre o aluminio
es ideal) interpuesta entre el convertidor y el osciloscopio, los conductores
apantallados de baja impedancia captarán muy poco ruido externo.
Para minimizar los efectos del ruido en modo común un filtro de
entrada tipo Balun se conecta al convertidor. Con este método de
medición el ruido verdadero es el doble de lo que muestra el osciloscopio
(pico a pico), ya que el cable coaxial divide la señal por dos.
Para obtener medidas fiables la carga debe poseer una reactancia muy baja
a la frecuencia de conmutación, preferiblemente por debajo del
2%. El condensador de acoplamiento debe ser de baja resistencia interna,
electrolítico y de un valor no menor de 10 µF.
|
| 11.
CORRIENTE DE RETRORIZADO |
Este es un parámetro
de importancia para convertidores CC/CC porque a menudo son alimentados
a partir de fuentes de alta impedancia o están situados al
final de largos cables de alimentación. Ocurre en todos los
convertidores conmutados ya que durante la conmutación existen
grandes pulsos de demanda.
Se suprimen usando filtros LC internos en Pi. una técnica
para su medida se muestra en Fig.4 usando una sonda de corriente
de banda ancha y osciloscopio.
Dado el contenido de alta frecuencia se expresa como una corriente
pico a pico con una impedancia de fuente especificada.
Se trata de
un ruido que es común a cada terminal de salida, este pasa
hacia la entrada a través de masa externa.
Una vez más se puede medir con una sonda de banda ancha y
osciloscopio para obtener valores de pico a pico. La Fig.5 y 6 muestra
el método.
|
|
|