|


1.
Introducción
2.
Tipos de Onduladores
2.1.
Grupo Motor-Alternador
2.2.
Zumbador electromecánico
2.3.
Amplificador en clase B
2.4.
Modulador de ancho de pulso (P.W.M.)
2.4.1.
Ondulador P.W.M. - con tanque resonante a 50 Hz
2.4.2. Onduladores
P.W.M. a alta frecuencia
La mayoría
de los equipos electrónicos, ordenadores, electrodomésticos
en general, tienen el origen de su fuente de alimentación en la
red general de 220 voltios-50Hz senoidales. En muchos casos puede ser
necesario alimentar dichos equipos a partir de una batería de acumuladores,
o sea, a partir de corriente continua, bien sea por no llegar la red de
distribución a ese lugar o por ser necesario un sistema de emergencia
de alimentación a 220 voltios-50Hz senoidales en el caso de ausencia
de red.
Se aprecia pues la
necesidad de hacer unos equipos de alimentación que conviertan
la corriente continua de una batería en corriente alterna, son
los llamados onduladores. Con estos se debe obtener una salida estable
en tensión y frecuencia a 220voltios-50Hz y con una forma de onda
siguiendo una ley senoidal.
Según sea la
tecnología utilizada en el funcionamiento del circuito se pueden
clasificar de la siguiente manera:
|
2.1 Grupo
Motor-Alternador
|
Antes
de la aparición de los dispositivos electrónicos
de estado sólido, (transistores, tiristores, MOS) era
el único método de obtención de una tensión
alterna senoidal. Consistía en un motor de corriente
continua alimentado por una batería y que está
acoplado mecánicamente a un alternador. Mediante una
|
|
dínamo
tacométrica colocada en el eje se controla la velocidad del
motor para mantener la tensión y frecuencia constantes.
Se pueden conseguir rendimientos del 70-80% dependiendo de la potencia
del equipo.
2.2 Zumbador
electromecánico
|
Este método,
prácticamente en desuso, consiste en un conmutador
accionado por un electroimán que hace contactos alternativos
sobre puntos de polaridad opuesta, obteniendo una tensión
alterna cuadrada. Esta se puede elevar mediante un transformador.
La estabilidad de frecuencia depende de la calidad del zumbador
y no tiene regulación
|
|
de tensión.
Por otra parte los contactos de conmutador se deterioran rápidamente,
acortando rápidamente la vida del equipo.
El rendimiento es alto ya que trabaja en conmutación.
2.3 Amplificador
en clase B
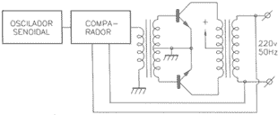
Se
compone de un oscilador piloto senoidal muy estable en frecuencia
y amplitud que se utiliza como tensión de referencia.
Se amplifica en potencia con un sistema Push-Pull sobre el primario
de un transformador elevador-separador , y tomando una muestra
de la salida se compara con el oscilador piloto para controlar
la tensión de salida en bucle cerrado.
Se puede utilizar un circuito como el de la Fig.3 en el cual
los transistores de potencia están acoplados al transformador
de salida por los colectores.
|
|
Otro circuito
puede ser el de la Fig.4 en el cual los transistores
de potencia se acoplan como seguidores de tensión, o
sea, como amplificadores de corriente y ganancia de tensión
igual a la unidad.
Este es mas usual ya que es mas estable el lazo cerrado.
En otro capítulo de desarrollará un proyecto real
con un circuito de este último tipo. |
2.4 Modulador
de ancho de pulso (P.W.M.)
|
Consiste
en un ondulador de onda cuadrada, mediante conmutadores electrónicos,
que actúan sobre un transformador elevador-separador
y cuya regulación se hace variando el tiempo de conducción
de los conmutadores pero manteniendo la misma frecuencia de
salida.
Si la salida tiene una forma de onda como el de la Fig.5a
y su tensión media es superior a los 220 voltios, el
sistema actuará estrechando el tiempo de conducción
en los semiciclos manteniendo la misma am-plitud, de forma
que el valor medio se iguale a los 220 voltios.
|
|
Con este sistema,
la forma de onda obtenida es cuadrada y tiene la ventaja de ser un
método de alto rendimiento al trabajar en conmutación
la etapa de potencia. Sería interesante poder aprovechar las
ventajas de la conmutación y a la vez que la forma de onda
sea senoidal, se verán a continuación dos métodos
principales. |
|
2.4.1 Ondulador
P.W.M-con tanque resonante a 50Hz
|
Consiste
en la obtención de una onda cuadrada modulada en ancho
de pulso a 50Hz como en la Fig.5b, y alimentar a un tanque
resonante sintonizado a 50Hz. Este filtro rechazará
los armónicos de la onda cuadrada dejando una senoide
pura a la frecuencia fundamental (50Hz). Dicho tanque resonante
también se puede hacer aprovechando la inductancia
de dispersión del trnsformador de salida.
Las ventajas
de este sistema son:
- que se pueden utilizar conmutadores estáticos
a baja frecuencia (50Hz), como son los tiristores o los
transistores IGBT, y por tanto poder fabricar equipos de
gran potencia, ya que estos dispositivos así lo permiten.
- el tanque resonante es muy estable en tensión
y frecuencia, y actúa como un acumulador pudiendo
suministrar sobrecargas instantáneas si así
se solicita.
Los inconvenientes son:
- la inductancia del tanque de salida tiene que estar fabricado
con núcleo de hierro para poder conseguir que sea
de alto valor, y su ajuste a base de modificar entrehierros
es muy crítico.
- lo mismo si se utiliza como inductancia el flujo de dispersión
del transformador.
- este tanque de salida debe estar sobredimensionado debido
a que al ser un circuito resonante se producen sobretensiones
y sobreintensidades.
- su gran peso.
|
2.4.2 Onduladores
PWM a alta frecuencia
|
Consiste
en la obtención de una onda senoidal a base de sumar
una serie de impulsos de misma amplitud y diferente ancho,
y cuyo valor medio instantáneo coincida con el de una
senoide.
En la Fig.6 se aprecia una onda senoidal y su equivalente
PWM a alta frecuencia.
En la Fig.7 se aprecia un método matemático
para saber el valor B de ancho de cada impulso. Si cada semisenoide
se descompone en 1000 impulsos, el área de senoide
comprendida entre un valor a y el siguiente debe ser igual
a un impulso de altura igual al valor máximo de la
senoide y ancho igual a B.

|
|
Calculando el área
de cada trozo de senoide se puede saber la duración del ancho
B correspondiente.
Como interesa que el troceado de la senoide sea alto, implica que
la frecuencia de conmutación sea elevada. Por tanto los dispositivos
electrónicos de conmutación han de responder a alta
frecuencia, por ejemplo los transistores MOS o los IGTB. |
| |


|
|
Existen dos
submétodos dentro de este apartado:
- es el obtener la senoide en el primario de un transformador
con núcleo de hierro para una frecuencia de 50Hz que haría
de filtro a la componente de alta frecuencia, tendría separación
galvánica, y se utilizaría como elevador de tensión
hasta los 220 voltios eficaces
- otro método sería el obtener la separación
galvánica y la elevación de tensión con un
convertidor contínua-contínua, y después
conformar la onda senoidal directamente sobre la alta tensión
generada
|
|